< !——交替内容不能传导波浏览器- - >
www.188金宝搏ios官方app下载www.bussiapp.com
金博188app下载品牌官网印度(SEFI)结构工程论坛188金宝搏ios官方app下载
遵循@sefin188金宝搏ios官方app下载dia
订阅
消化的偏好
常见问题解答
搜索
Memberlist
用户组
注册
安全提示
捐赠
配置文件
登录来检查你的私人信息
登录到网站
登录论坛
警告:
确保你扫描下载附件更新杀毒工具之前打开它们。它们可能包含病毒。
使用在线扫描仪
在这里
和
在这里
上传下载附件检查安全。
基板计算
www.188金宝搏ios官方app下载www.bussiapp.com论坛指数
- >
188金宝搏ios官方app下载SEFI一般讨论
查看之前的话题
::
查看下一个话题
作者
消息
ssantosh
188金宝搏ios官方app下载SEFI成员
加入了:2014年12月10日
文章:1
发布:2023年4月23日,太阳兴起
文章主题:底板的计算
你好所有的,
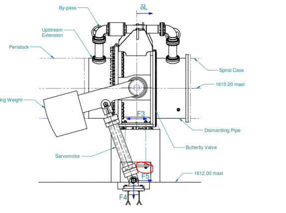
附件是安排一个HPP MIV基础。有什么方法或文档大小底板用红色标注的。?
请建议如果任何进一步的输入是必需的。
谢谢你!
image_2023-04-23_132039234.png
描述:
MIV
文件大小:
83.88 KB
查看:
54时间(年代)
回到顶部
显示文章从之前的:
所有的帖子
1天
7天
2周
1个月
3个月
6个月
1年
古老的第一
最新的第一
www.188金宝搏ios官方app下载www.bussiapp.com论坛指数
- >
188金宝搏ios官方app下载SEFI一般讨论
所有的时间
页面
1
的
1
翻译的话题
英语,德语
英语,西班牙语
英语,法语
英语,意大利语
英语Portugue
英语,印地语
跳转到:
选择一个论坛
一般
- - - - - - - - - - - - - - - - -
188金宝搏ios官方app下载SEFI一般讨论
说出来的盒子
特性请求
新生的区
一项工程奇迹
官方公告档案
评估我的模型
学术项目指导B。科技(B.E) / M。科技(当)
特殊利益集团
- - - - - - - - - - - - - - - - -
水坝和桥梁
开源软件开发
第一次在SEFI188金宝搏ios官方app下载
- - - - - - - - - - - - - - - - -
新成员做测试职位
专家专门的论坛
- - - - - - - - - - - - - - - - -
Er。t . Rangarajan周二
188金宝搏ios官方app下载SEFI存档
- - - - - - - - - - - - - - - - -
过去讨论2003年
过去讨论2004年
过去讨论2005年
过去讨论2006年
过去讨论2007年
E-Conferences
- - - - - - - - - - - - - - - - -
E-CONFERENCE SSD-II 06(19914)结构设计要求
Econference在国家结构工程实践和教育
E-Conference 2003年6月1日
Econference对房地产(监管和开发)法案,2016年(RERA)
E-conference是16700年3月13日到2018年3月18日
E-conference耐久性混凝土- 2月27日至3月11日- 2012
E-Conference高层建筑
e -会议- 2008(平板设计问题)
E-Conference 2003年3月1日
E-Conference 2004年7月19日
E-Conference 2003年9月23日
E-Conference 2004年8月21日
E-Conference 2005年6月20日
188金宝搏ios官方app下载SEFI-GOD
技术支持www.bussiapp.com web站点188金宝搏ios官方app下载
- - - - - - - - - - - - - - - - -
188金宝搏ios官方app下载/登录/注册问题SEFI网站问题
赞助信息存档
你
不能
发布新主题在这个论坛
你
不能
回复主题在这个论坛
你
不能
在这个论坛编辑你的文章
你
不能
删除你的帖子在这个论坛
你
不能
在这个论坛参与投票
你
不能
附加文件在这个论坛
你
可以
在这个论坛下载文件
2008 SEFINDIA188金宝搏ios官方app下载©2003,
印度的域名注册
发布或接受广告既不保证,也不支持广告的产品或服务。
广告策略
map